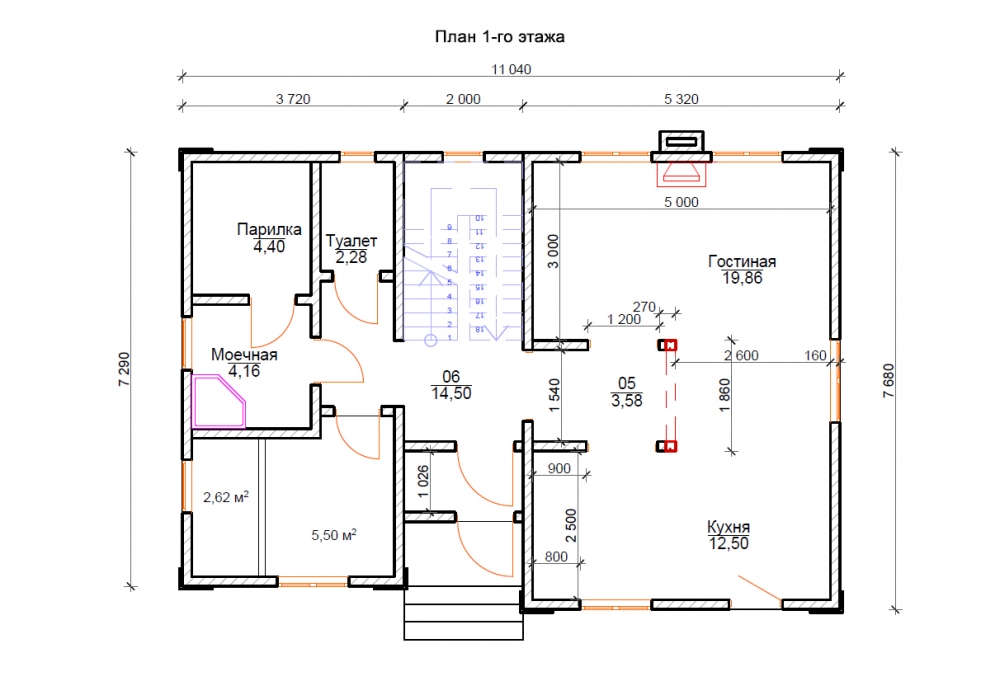
Проект КРКС-419
Что входит в стоимость
- Фундамент
- Каркас
- Внутренняя отделка
- Внешняя отделка
- Перегородки
- Кровля
Фундамент
Винтовые сваи ВС-108/300/2500 мм, соответствующие ТУ 5260-001-84045723-2011, с толщиной стенки 4 мм и лопасти 5 мм. Покрытие двухкомпонентным защитным составом обеспечивает долговечность. Монтаж выполняется с применением спецтехники. Внутренняя полость свай заполняется бетонной смесью М300. Устанавливаются металлические оголовки 200х200 мм. Горизонтальная гидроизоляция выполнена из стеклогидроизола в два слоя.
Фундаменты на винтовых сваях отличаются надежностью, долговечностью и минимальными требованиями к участку. Они идеально подходят для сложных грунтов: пучинистых, обводненных, с сильным перепадом высот или подверженных весенним паводкам.
Современная техника позволяет проводить работы даже в стесненных условиях. Процесс монтажа быстрый и экономичный: сваи завинчиваются на нужную глубину, выравниваются, заполняются бетоном и оснащаются оголовками.
Для каркасного дома достаточно свай диаметром 108 мм с антикоррозийным покрытием.
Антисептирование
Обработка всех силовых элементов каркаса огне-биозащитным составом NEOMID 450-1. Этот состав защищает древесину от возгорания, гниения, плесени, насекомых и других биопоражений.
Древесина — популярный материал в каркасном строительстве, но она требует защиты от внешних факторов. Обработка антисептиком устраняет эти недостатки, продлевая срок службы конструкции.
NEOMID 450-1 обеспечивает 1 группу огнезащитной эффективности по ГОСТ Р 53292-2009. Срок действия защиты — до 10 лет.
Стены и перегородки
Внешние стены: одинарный каркас из доски 45х190 мм, утепление базальтовыми плитами 200 мм.
Внутренние несущие стены: каркас из доски 45х140 мм.
Перегородки: каркас из доски 45х90 мм, звукоизоляция базальтовыми плитами 100 мм.
Защита: супердиффузионная мембрана и пароизоляция с проклейкой швов.
Фасад: маяки из доски 25х100 мм для вентиляционного зазора.
Наружные стены обеспечивают защиту от температурных перепадов, влаги и ветра. Базальтовый утеплитель и мембраны делают дом энергоэффективным. Внутренние перегородки с звукоизоляцией создают комфортную акустику.
Кровля
Стропильная система из доски 50х200 мм с шагом 580 мм.
Утепление базальтовыми плитами 200 мм.
Защита: супердиффузионная мембрана и пароизоляция с проклейкой швов.
Покрытие: металлочерепица толщиной 0,45 мм с декоративным слоем полиэстера 25 мкм (гарантия — до 12 лет).
Дополнительно: пластиковая водосточная система и трубчатые снегозадержатели.
Кровля обеспечивает надежную защиту от осадков и теплопотерь. Утепление и мембраны повышают энергоэффективность, а металлочерепица сочетает эстетику и долговечность.
Окна и двери
Окна: ПВХ REHAU Grazio с 2-камерным стеклопакетом (3 стекла), 5-камерный профиль толщиной 70 мм. Комплектация включает подоконники, отливы и москитные сетки.
Входные двери: металлические с утеплением, 4-й класс взломостойкости.
Окна и двери обеспечивают теплоизоляцию и безопасность. Пластиковые окна REHAU и утепленные двери с терморазрывом идеально подходят для каркасного дома.
Лестницы
Временные входные и межэтажные лестницы из строганных пиломатериалов.
Внутренняя отделка влажных помещений (черновая)
Стены: влагостойкий гипсокартон (ГКЛВ) 12,5 мм в 2 слоя.
Пол: цементно-стружечная плита (ЦСП) 20 мм с гидроизоляцией под стяжку для плитки.
Потолки: ГКЛВ 9,5 мм в 1 слой.
Внутренняя отделка сухих помещений
Стены и потолки: вагонка из хвойных пород, сорт А-В, толщиной до 12,5 мм.
Пол: влагостойкая фанера ФСФ 18 мм.
Внешняя отделка
Фасад: деревянные панели 140х16 мм, имитирующие брус, с пазогребневым соединением.
Подшив свесов кровли: вагонка из хвойных пород.
Террасы, балконы и крыльца
Полы: строганная доска 45х140 мм с зазорами 4-5 мм.
Ограждения: из строганных пиломатериалов.
Потолки: вагонка из хвойных пород.
Этапы
Другие размеры
Другие дома
Почему нас рекомендуют
Фиксированная цена в договоре
Оплата в 4 этапа
Выезд замерщика в день обращения
Работаем по СП, СНИП и ГОСТ
Материалы по диллерским ценам
Сертификаты
на материалы
Часто задаваемые вопросы
В стройке мы уже более 10 лет, опыт есть
- Сами мы выполняем общестроительные, отделочные работы, устройство участка, разводка инженерных систем (электричество, отопление по дому, водоснабжение) и прочее.
- Подрядчиков мы приглашаем на работы, которые мы каждый день не выполняем и требуют специализации, к примеру: производство и установка окон и дверей (спецзаказы), систем кондиционирования, оборудование котельных, установка скважин, септиков.
- Поиск, привлечение, соблюдение договоренностей и контроль выполнения работ подрядчиками – это наша задача.
- 80 % всех работ по строительству Вашего дома мы выполняем самостоятельно и только в 20% — привлекаем подрядчиков.
- С каждым подрядчиком мы заключаем договор, в котором он указывает гарантию на выполненные им работы, и в случае возникновения неисправностей, их устранение лежит на подрядчике.
Да, есть объекты, которые мы можем показать, на разных этапах работ и уже сданные дома по предварительной договоренности.
По проектированию вноситься аванс в течении 5-ти дней после подписания договора в размере 70% от общей суммы. Остаток оплачивается при передачи клиенту готового проекта.
Оплата строительства разбивается соответственно этапам, которые прописаны в смете. Каждый этап строительства также разбивается на платежи, размер которых может быть разным (обычно это связанно с необходимостью закупки материалов)
Электричество мощностью не менее 5кВт и техническая вода.
Если этого нет, то мы привезем свои генераторы БЕСПЛАТНО. Воду в большинстве случаев при деревянном строительстве используют только для бытовых нужд, ее доставку мы обеспечим своими силами.
- Договор на строительство подписывается после разработки и утверждения сметы.
Самый дешевый вариант — поставить на бетонные блоки
Средний вариант и который в основном все предпочитают — свайно винтовой фундамент, недорого и быстро
Все зависит от размеров ну как правило по среднему дом ставится от 2-х недель до 1,5 месяца, на сроки влияют в основном размеры и выбранная комплектация
